티스토리 뷰
반응형
분리 정착형
- 주탑 단면 내에 여유공간 형성으로 점검 용이
- 케이블 인장력으로 인해 PS 강재 및 철근 등으로 정착부 보강 필요


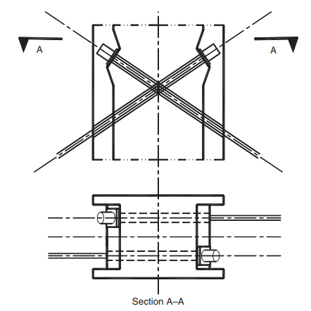
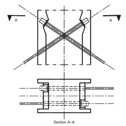
분리 정착형 (교차정착)
- 케이블 교차 정착을 위해 주탑 단면 내부는 충실단면
- 케이블 교차 정착으로 주탑 단면의 비틀림 검토 필요

분리 정착형 (Steel framing)
- Steel Frame으로 케이블 인장력 분담으로 주탑 콘크리트의 응력 감소
- PS 강재 등 정착부 보강재 감소 가능
- Steel Frame 제작에 따른 제작비 및 공기 증가 우려


관통 고정 정착 (Saddle Type)
- 주탑을 관통하여 케이블 정착
- Saddle 위의 케이블이 미끌림 발생하지 않도록 고정필요
- 케이블의 최소 휨 반경에 따라 주탑형상 제약


반응형
'구조 설계 및 시방서 > 케이블교량' 카테고리의 다른 글
| 사장교 케이블 공식 (0) | 2023.09.24 |
|---|---|
| 케이블 장력 측정 방법 (0) | 2022.06.07 |
| 케이블 종류 특징 (0) | 2021.05.27 |
| 사장교 부반력 산정방법 및 대책 (0) | 2021.05.19 |
댓글