티스토리 뷰
반응형
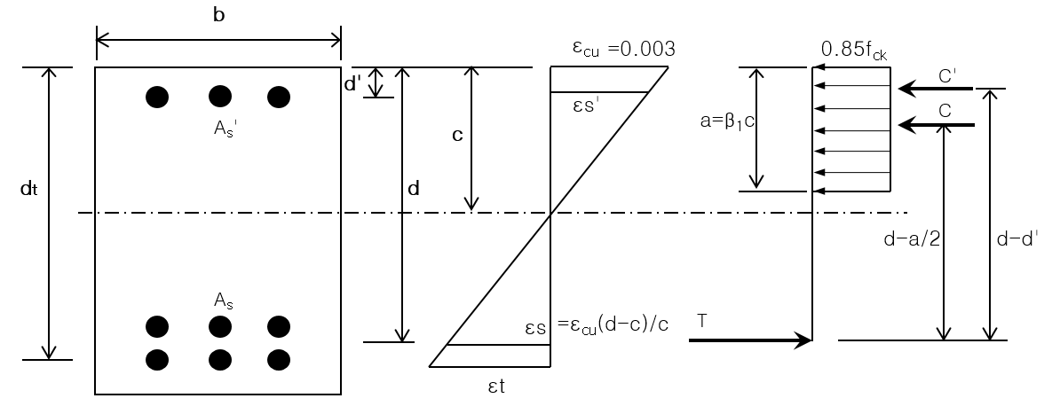
아래와 같이 인장철근의 면적이 일정하다고 하면,
압축철근을 사용하면 콘크리트가 받는 압축력이 줄어들 뿐, 전체적인 단면의 강도는 증가하지 않는다.
즉, 단면의 저항강도는 인장측 철근이 받는 힘과 팔거리에 의한 우력(모멘트)으로 결정된다.
따라서, 압축철근에 의한 단면 강도 증가효과는 없다고 볼 수 있다.
그러나, 압축철근 사용시 콘크리트가 받는 압축응력이 감소되는 효과가 있으므로,
크리프에 의한 장기거동(처짐)이 감소하는 효과가 있다.
또한, 추가적으로 연성 증가와 철근 조립의 편의성 증가에 따른 시공성 증진효과가 있다.
장기처짐 = 지속하중에 의한 탄서처짐 × λ

0.85fck × a × b = As × fy

0.85fck × a × b + As' × fy= As × fy
“파트너스 활동을 통해 일정액의 수수료를 제공받을 수 있음"
반응형
'구조 설계 및 시방서 > 철근콘크리트' 카테고리의 다른 글
| 강봉, 철근의 전단강도 (0) | 2022.04.05 |
|---|---|
| 단철근보 휨강도 산정 (1) | 2021.05.15 |
| 전단설계시 종방향 전단 철근 (0) | 2019.08.30 |
| 휨인장/압축/전단 최소 및 최대 철근비 (0) | 2018.06.14 |
| 전단설계 압축장 수정압축장 이론 (0) | 2018.06.08 |
댓글

